日期:2025-06-23瀏覽: 來源:不朽情緣特
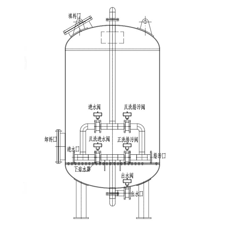
多介質過濾器主要由罐體、布水系統、集水系統、濾料層、隔板(平板)水帽、承托層及內部配套管路等組成,外部聯接原水進水、清水出水、反沖洗排水等主要管道和與其相配的控制閥、壓力表、取樣閥等。以石英砂和無煙煤為濾料,采用壓力式過濾。特點為如下:
a、過濾面積大,處理水量大,運行效果好、填料成本低亮
b,采用雙濾料,降低運行阻力;
c、濾料耐腐蝕,孔隱率高,載污容量大,密度適中,易于反沖洗:
d、過濾器主體材質:1、不銹鋼304,不銹鋼316,0235 碳鋼,023碳鋼村膠,單臺處理水量為 0.5-200T/h;e、截污能力強,水損失。誦Ч玫奶氐恪
f、集水器可選不銹鋼/ABS 材質,壽命更長。

上一篇:淺層砂過濾器反洗時的工作狀態
下一篇:全自動清洗過濾器設備的優點